Торгово-производственная фирма ООО "АЛЬЯНСХЕМ"

  Поставка промышленного оборудования для обработки дерева, стекла, камня, металла.  

    Деревообрабатывающий инструмент     Деревообрабатывающий станок     Котел     Деревообрабатывающее оборудование

  Широкий выбор станков, инструмента. Доступные цены. Звоните по тел (948) 546-11-72.  

Главная

Оборудование

Инструмент

Прайс

О фирме





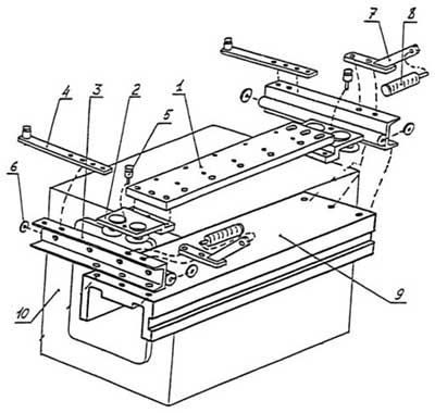
ФРЕЗЕРНО-КОПИРОВАЛЬНОЕ  УСТРОЙСТВО

мод.  «ФКУ-1».


Фрезерно-копировальное устройство предназначено для изготовления на фрезерных станках с вертикальным расположением шпинделя и шипорезной кареткой («ФСШ-1А», «СФУ-1» и т.д.) криволинейные элементы окон, дверей, и мебели с достижением высокой производительностью  и обеспечением безопасности производимых работ.

Устройство легко устанавливается и снимается со станка.



1 - стол;  2 - каретка;  3 - швеллер с направляющей;  4 - планка;  5 - грибок;  6 - шайба концевая;  7 - кронштейн рукоятки;  8 - рукоятка;  9 - шипорезная каретка станка;  10 - станина станка.


ТЕХНИЧЕСКАЯ     ХАРАКТЕРИСТИКА

Длина криволинейного профиля, мм

720

Глубина криволинейного профиля, мм

180

Количество зажимов, шт.

2

Габариты, мм

1050х750х300

Масса станка, кг

30






Рамные пилорамы - Ленточные пилорамы - Бревнопильные - Окорочные - Оцилиндровочные - Горбыльно-ребровые - Бревнотаски - Ленточно-делительные - Многопильные - Кромкообрезные - Торцовочные - Сушильные камеры - Влагомеры - Котлы на отходах - Для постформинга - Четырехсторонние - Паркетные - Круглопильные - Фуговальные - Фуговально-рейсмусовые - Рейсмусовые - Фрезерные станки - Копировальные - Автоподатчики - Шипорезные - Копировально-фрезерные - Для багета - Компрессорные - Для палочек для еды - Оконные центры - Бытовые - Комбинированные - Ленточно-пильные - Пазовально-сверлильные - Долбежно-цепные - Для шкантов - Круглопалочные - Токарные - Форматно-раскроечные - Кромкооблицовочные - Присадочно-сверлильные - Шлифовальные - Калибровально-шлифовальные - Клеенаносящие - Обрабатывающие центры - Прессы для облицовывания - Вакуумные прессы - Прессы для сращивания - Ваймы и пресса для щитов и окон - Прессы для склеивания бруса - Упаковочные - Дробилки - Прессы для брикетирования - Пылесосы - Покрасочные камеры - Заточные - Вальцовочные - Для формирования зубьев - Для сварки ленточных пил - Печь для углевыжигания - Дровокольные - Для стульев - Для шпона - Для домостроения - Лазерные - Комплексы для лесопиления - Рубительные - Стеклообрабатывающие - Для мягкой мебели - Для импрегнации изделий из древесины - Для искусственного старения - Камнеобрабатывающие - Для поддонов - Абразивно-отрезные - Вертикально-сверлильные - Вертикально-фрезерные - Гильотины - Горизонтально-фрезерные - Строгальные и долбежные - Заточные - Круглошлифовальные - Ленточнопильные - Листогибочные - Настольно-сверлильные - Настольно-токарные - Плоскошлифовальные - Прессы - Радиально-сверлильные - Ручные гильотины - Сверлильно-фрезерные - Специализированные - Токарно-винторезные - Токарные станки с ЧПУ - Точильно-шлифовальные - Трубонарезные - Широкоуниверсально-фрезерные - Станки АЛЬЯНСХЕМ - Печи - Транспортеры






© 2009 - 2016  ООО "АЛЬЯНСХЕМ".  Все права защищены.